Дымосос Д-3,5М-3,0/1500 в Кургане

Цена:
40 000 руб.
Количество:
Отправляя свои личные данные через формы на сайте, Вы даёте своё согласие на обработку персональных данных согласно Федеральному закону №152-ФЗ «О персональных данных» от 27.07.2006 г. в редакции от 01.07.2017.

Описание дымососа

Дымосос Д-3,5М-3,0/1500 — тягодутьевая машина предназначенная для удаления дымовых газов после сгорания топлива в топках паровых и водогрейных котлах. Модернизированные центробежные дымососы Д-3,5 могут использоваться не только в котельных установках для уравновешивания тяги, но и для ряда промышленного оборудования, где необходимо обеспечение подачи приточной воздуха или его очистки. Предельно допустимая температура рабочего потока (приточный воздух или дымовой газ) составляет 250 °C.

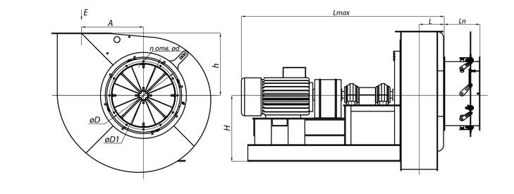
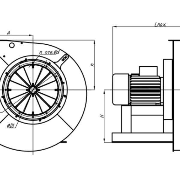
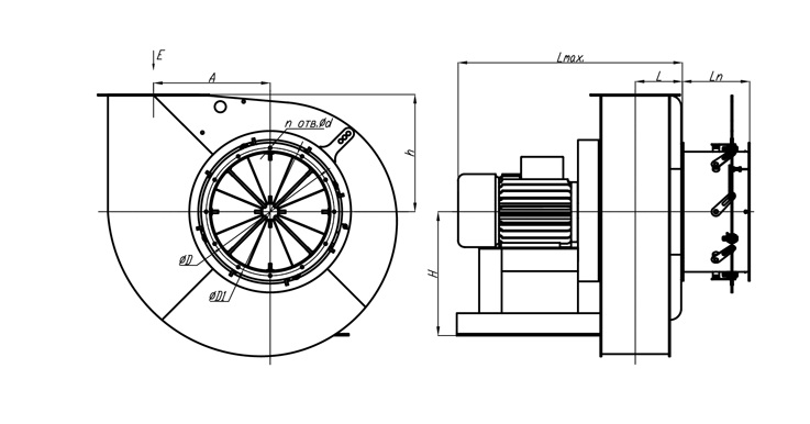
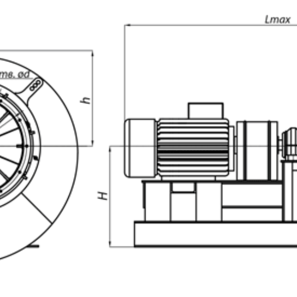
Конструкция дымососа Д-3,5М с электродвигателем мощностью 3 кВт и частотой вращения 1500 об/мин проста, надежна и имеет компактные размеры. Промышленный дымосос состоит из несущего каркаса — сварная рама из стального профилированного проката, и металлического кожуха типа «улитка». На раме расположен электродвигатель, соединенный с рабочим колесом, посаженным на вал двигателя либо ходовую часть привода, что потребует более мощный привод. Рабочее колесо имеет 20 лопаток загнутые назад. Дымососы одностороннего всасывания изготавливаются правого и левого направления вращения.

Установка дымососа Д-3,5М-3,0/1500 осуществляется на подготовленное основание в помещении или на открытом воздухе методом анкерного соединения. Монтаж основания к установочной плоскости выполняется через виброгасящие прокладки. При проведении монтажных работ поворотный корпус улитки обеспечивает выбор нужного угла стыковки. Производительность — 4000 м³/ч. Полное давление — 680 Па. Дымососы Д рассчитаны на непрерывный режим работы в условиях умеренного климата У, категории размещения 1, 2, 3 и 4 по ГОСТ 15150-69. Котельный дымосос Д-3,5М-1500 эксплуатируется в температурных условиях от -30 до +40 °C.

Для повышения срока службы и эффективности работы дутьевого дымососа рекомендуется проводить техническое обслуживание (ТО), периодичность которого регламентируется технической документацией на оборудование.

Более подробную информацию Вы можете получить у наших специалистов. Чтобы приобрести котельный центробежный дымосос Д-3,5 модернизированный с электродвигателем мощностью 3 кВт и частотой вращения 1500 об/мин, достаточно позвонить нам либо оставить заявку и мы обязательно с Вами свяжемся.

Характеристики
Тип дымососа: Центробежный
По назначению: Промышленный
По назначению: Дутьевой (тягодутьевой)
Серия: Д
Диаметр рабочего колеса: 3,5 дм
По количеству входов: Одностороннего всасывания
Направление вращения: Левое
Направление вращения: Правое
Число лопаток: 20 шт
Положение лопаток: Загнутые вперед
Схема исполнения: 1
Схема исполнения: 3
Электродвигатель: АИР100S4
Мощность: 3 кВт
Частота вращения: 1500 об/мин
Производительность: 4000 м³/ч
Полное давление: 680 Па
Температура рабочей среды: 250 °C
Климатическое исполнение: Умеренный климат (У)
Категория размещения: 1
Категория размещения: 2
Категория размещения: 3
Категория размещения: 4
Масса без двигателя: 45 кг
Масса с двигателем: 65 кг
Схемы

Города поставок

Москва
Пн-Пт 09:00 - 18:00
Сб 09:00 - 17:00
Карачаево-Черкесская Республика
Пн-Пт 09:00 - 18:00
Сб 09:00 - 17:00
Екатеринбург
Пн-Пт 09:00 - 18:00
Сб 09:00 - 17:00

Совершите покупку за 4 шага

Шаг 1
Выберите товары из каталога
Шаг 2
Поместите нужные вам товары в корзины
Шаг 3
Укажите свои контактные данные в форме обратной связи
Шаг 5
Ожидайте звонка от менеджера для оформления покупки

Похожие товары

Дымососы ДН
Дымососы ДН
Цена от 0 руб.
Дымососы Д
Дымососы Д
Цена от 0 руб.
Дымососы для котлов
Вы смотрели эти товары
Дробилки
Дробилка ДО-1М — это техническое устройство, которое предназначено для измельчения серых и бурых углей, используемых для отопления в котельных или доменных печах. Также может использоваться для измельчения любых материалов, которые по плотности схожи с углем.
Дробилки
Промышленная дробилка ВДП-15 представляет собой дробилку-питатель, которая используется для предварительного измельчения угля и подачи готового сырья на транспортер. Оборудование способно разбивать крупную фракцию твердого топлива для оптимизации процессов горения. Применение дробилки данного типа позволяет исключить остановку котельной на случай выхода из строя основного бункера с углем.
Дробилки
Дробилка серии ВДГ-10 представляет собой промышленное дробильное устройство, которое предназначено для грохочения и дробления каменных углей. Оборудование способно измельчать фракции твердого топлива, а также осуществлять его подачу на транспортер. Серийные дробилки применяются на разных производствах, где имеется твердотопливный котел.