Устройство и принцип работы
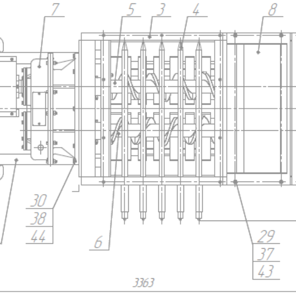
Конструкция дробилки базируется на металлическом шнеке. Вал имеет специальные насечки для эффективной подачи твердого топлива. В основе оборудования присутствует массивная рамная база, которая используется для размещения и установки агрегатов. Также дробилка комплектуется мощным электродвигателем, который запитан от 380В. Механические движения передаются через специальный приводной механизм.
Принцип работы дробилки достаточно прост и основывается на постепенном захвате угля с целью дальнейшего его измельчения внутри бункера. При помощи специального шнека и ячеистой структуры внутренней части корпуса осуществляется отбор фракций. Данная модель дробилки способна измельчать уголь до 0-40 мм.
Особенности и преимущества
Среди главных особенностей модели можно выделить высокую надежность и неприхотливость во время эксплуатации. Оборудование работает в самых тяжелых условиях и обеспечивает непрерывную подачу топлива в топку. Следует выделить несколько преимуществ:
- высокая надежность;
- мощный электрический двигатель;
- простая схема установки;
- долговечность дробилки;
- высокая производительность.
За счет применения шнековой системы скорость подачи угля увеличилась в несколько раз. Производитель комплектует агрегаты отечественными уравнительными муфтами и коробками передач.
Эксплуатация и техническое обслуживание
Эксплуатация данных дробилок возможна в любой твердотопливной котельной, которая использует для работы каменный уголь. Система дробления способна разбивать любые крупные фракции. За счет измельчения повышается качество горения, что положительно влияет на эффективность нагрева емкости с теплоносителем. Для обслуживания дробилки используются специальные инструменты. В плане ТО оборудование требует периодической смазки подвижных узлов с учетом заводской схемы расположения точек. Также необходимо проверять надежность крепления и фиксации деталей.
Купить дробилку ВДП-15
Приобрести данный тип оборудования можно в нашей компании. Широкий выбор агрегатов в ассортименте позволяет подобрать системы с учетом индивидуальных характеристик. Предварительно необходимо сделать заказ при помощи телефона или путем заполнения заявки на сайте.


